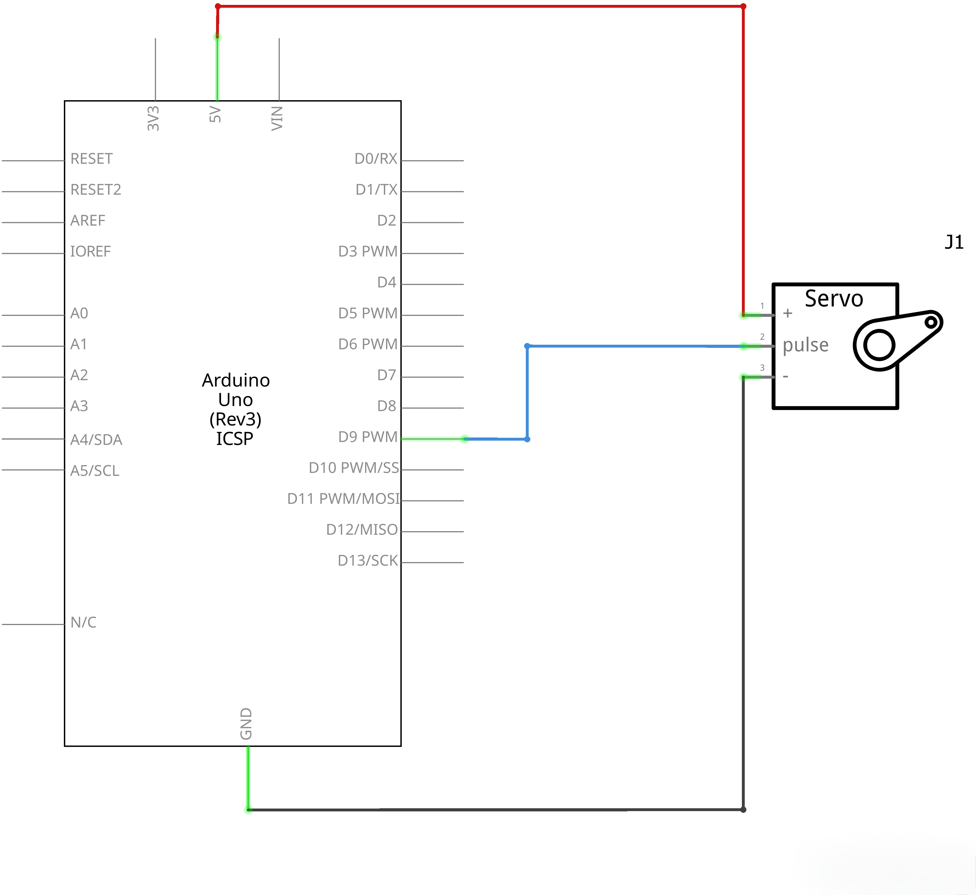
Servo is a type of geared motor that can only rotate 180 degrees. It is controlled by sending electrical pulses from your UNO board. These pulses tell the servo what position it should move to. The Servo has three wires, of which the brown one is the ground wire and should be connected to the GND port of UNO, the red one is the power wire and should be connected to the 3.3V port, and the orange one is the signal wire and should be connected to the GPIO port.
(1) x Elegoo Uno R3
(1) x Servo (SG90)
(3) x M-M wires (Male to Male jumper wires)
·Universal for JR and FP connector
·Cable length : 25cm
·No load; Operating speed: 0.12 sec / 60 degree (4.8V), 0.10 sec / 60 degree (6.0V)
·Stall torque (4.8V): 1.6kg/cm
·Temperature : -30~60'C
·Dead band width: 5us
·Working voltage: 3.5~6V
·Dimension : 1.26 in x 1.18 in x 0.47 in (3.2 cm x 3 cm x 1.2 cm)
·Weight : 4.73 oz (134 g)
You can click the blue text link to download the program file to your local device, and double-click the file to open it after the download is complete. Please note: Before opening the file, ensure that you have installed the Arduino IDE development environment and completed the installation of relevant components such as the board support package and driver corresponding to the uno development board. If you have any questions about this operation process, you can refer to the "part 1" chapter of the document for detailed guidance
Before you can run this, make sure that you have installed the Servo library or re-install it, if necessary. Otherwise, your code won't work.
#include <Servo.h>
/* After including the corresponding libraries,
we can use the "class" like "Servo" created by the developer for us.
We can use the functions and variables created in the libraries by creating
objects like the following "myservo" to refer to the members in ".".*/Servo myservo;
//it created an object called myservo.
/* you can see Servo as a complex date type(Including functions and various data types)
and see myservo as variables. */
Library and Object Configuration:
#include <Servo.h>: Includes the Servo library ()Servo myservo: Creates a servo object named "myservo" that allows control of a single servo motorObject-Oriented Programming (OOP) Concepts:
Servo is a class that encapsulates servo control functionalitymyservo is an instance (object) of the Servo classattach() and write()void setup(){
/*"attach" and "write" are both functions,
and they are members contained in the complex structure of "Servo".
We can only use them if we create the object "myservo" for the complex structure of "Servo".
*/
myservo.attach(18);//connect pin 18 with the control line(the middle line of Servo)
myservo.write(90);// move servos to center position -> 90°
}
setup() Function:Initializes the system and configures the servo motor.
myservo.attach(18): Attaches the servo object to GPIO pin 18, which connects to the servo's control wiremyservo.write(90): Initializes the servo to the center position (90°)Servo Wiring:
Servo Initialization:
void loop(){
myservo.write(90);// move servos to center position -> 90°
delay(1000);
myservo.write(60);// move servos to center position -> 60°
delay(1000);
myservo.write(90);// move servos to center position -> 90°
delay(1000);
myservo.write(150);// move servos to center position -> 150°
delay(1000);
}
loop() Function Overview:The main loop that controls the servo motor's movement sequence.
Servo Movement Sequence:
Center Position (90°):
myservo.write(90);// move servos to center position -> 90°
delay(1000);
Left Position (60°):
myservo.write(60);// move servos to center position -> 60°
delay(1000);
Center Position (90°) - Return:
myservo.write(90);// move servos to center position -> 90°
delay(1000);
Right Position (150°):
myservo.write(150);// move servos to center position -> 150°
delay(1000);
Servo Movement Pattern:
| Sequence Step | Angle | Duration | Movement Description |
|---|---|---|---|
| 1 | 90° | 1 second | Start at center |
| 2 | 60° | 1 second | Move left |
| 3 | 90° | 1 second | Return to center |
| 4 | 150° | 1 second | Move right |
Servo Motor Fundamentals:
Troubleshooting:
Servo Library Functions:
attach(pin): Attaches the servo to a GPIO pinwrite(angle): Moves the servo to the specified angle (0-180°)writeMicroseconds(us): Controls the servo using microsecond pulse widths (alternative to angle control)read(): Returns the current servo position (in degrees)attached(): Returns true if the servo is attached to a pindetach(): Detaches the servo from its pin, releasing it for other uses