In this lesson, you will learn how to use eight large red LEDs with an UNO without needing to give up 8 output pins!
Although you could wire up eight LEDs each with a resistor to an UNO pin, you would rapidly start to run out of pins on your UNO. If you don't have a lot of stuff connected to your UNO. It's OK to do so - but often times we want buttons, sensors, servos, etc. and before you know it you've got no pins left. So, instead of doing that, you are going to use a chip called the 74HC595 .
Serial to Parallel Converter. This chip has eight outputs (perfect) and three inputs that you use to feed data into it a bit at a time.
This chip makes it a little slower to drive the LEDs (you can only change the LEDs about 500,000 times a second instead of 8,000,000 a second) but it's still really fast, way faster than humans can detect, so it's worth it!
(1) x Elegoo Uno R3
(1) x 830 tie-points breadboard
(8) x leds
(8) x 220 ohm resistors
(1) x 74hc595 IC
(14) x M-M wires (Male to Male jumper wires)
The shift register is a type of chip that holds what can be thought of as eight memory locations, each of which can either be a 1 or a 0. To set each of these values on or off, we feed in the data using the 'Data' and 'Clock' pins of the chip.
The clock pin needs to receive eight pulses. At each pulse, if the data pin is high, then a 1 gets pushed into the shift register; otherwise, a 0. When all eight pulses have been received, enabling the 'Latch' pin copies those eight values to the latch register. This is necessary; otherwise, the wrong LEDs would flicker as the data is being loaded into the shift register.
The chip also has an output enable (OE) pin, which is used to enable or disable the outputs all at once.
You could attach this to a PWM-capable GPIO pin and use 'analogWrite' to control the brightness of the LEDs. This pin is active low, so we tie it to GND.
As we have eight LEDs and eight resistors to connect, there are actually quite a few connections to be made.
It is probably easiest to put the 74HC595 chip in first, as pretty much everything else connects to it. Put it so that the little U-shaped notch is towards the top of the breadboard. Pin 1 of the chip is to the left of this notch.
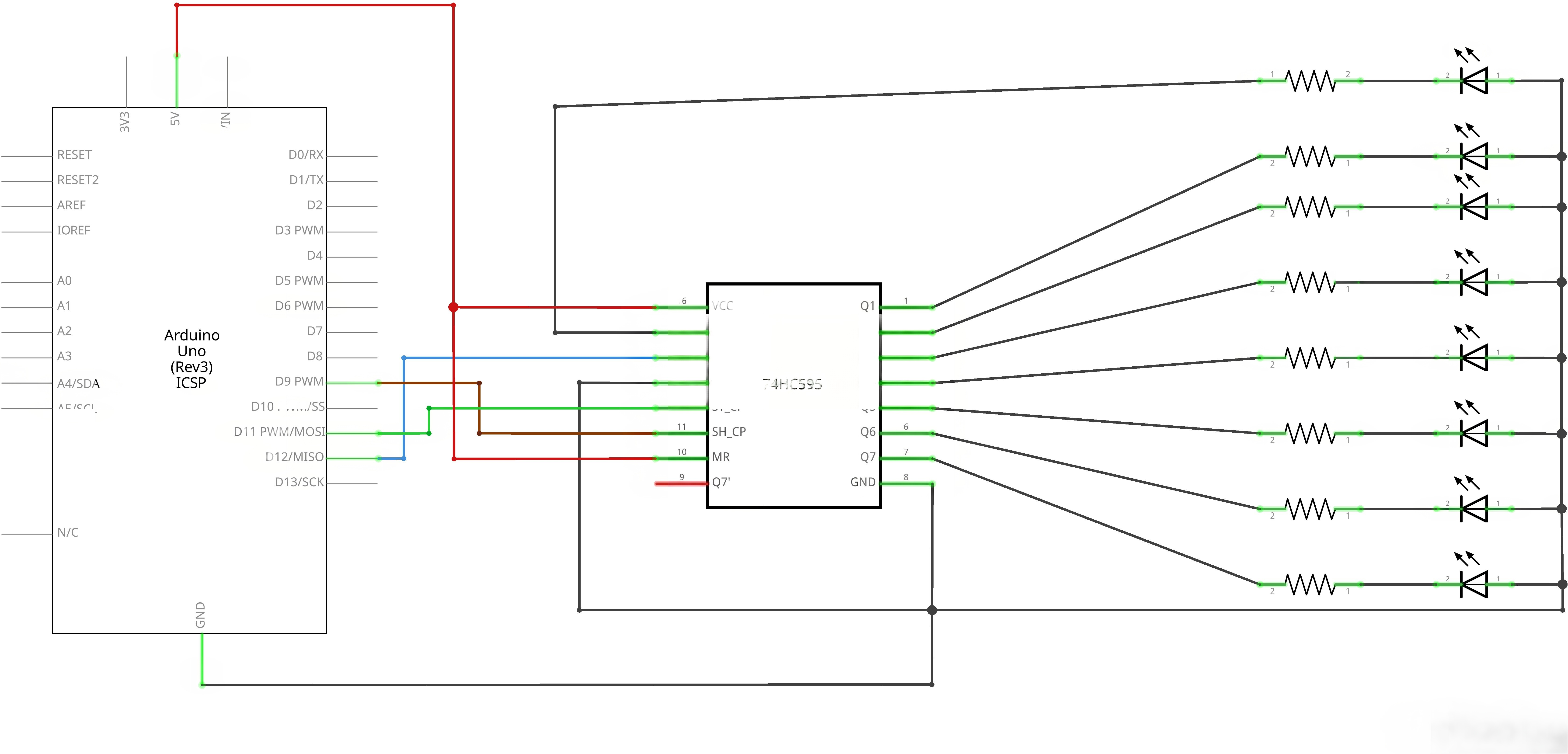
Digital 12 from the UNO goes to pin #14 of the shift register
Digital 11 from the UNO goes to pin #12 of the shift register
Digital 9 from the UNO goes to pin #11 of the shift register
All but one of the outputs from the IC is on the left side of the chip. Hence, for ease of connection, that is where the LEDs are, too.
After the chip, put the resistors in place. You need to be careful that none of the leads of the resistors are touching each other. You should check this again before you connect the power to your UNO.
If you find it difficult to arrange the resistors without their leads touching, then it helps to shorten the leads so that they are lying closer to the surface of the breadboard.
Next, place the LEDs on the breadboard. The longer positive LED leads must all be towards the chip, whichever side of the breadboard they are on.
Attach the jumper leads as shown above. Do not forget the one that goes from pin 8 of the IC to the GND column of the breadboard.
Load up the sketch listed a bit later and try it out. Each LED should light in turn until all the LEDs are on, and then they all go off and the cycle repeats.
You can click the blue text link to download the program file to your local device, and double-click the file to open it after the download is complete. Please note: Before opening the file, ensure that you have installed the Arduino IDE development environment and completed the installation of relevant components such as the board support package and driver corresponding to the uno development board. If you have any questions about this operation process, you can refer to the "part 1" chapter of the document for detailed guidance.
int tDelay = 100;
int latchPin = 11; // (11) ST_CP [RCK] on 74HC595
int clockPin = 9; // (9) SH_CP [SCK] on 74HC595
int dataPin = 12; // (12) DS [S1] on 74HC595byte leds = 0;
Variable and Hardware Configuration:
int tDelay = 100: Defines the delay time (in milliseconds) between LED changesint latchPin = 11: Defines the latch pin (D11) connected to 74HC595's ST_CP (RCK) pinint clockPin = 9: Defines the clock pin (D9) connected to 74HC595's SH_CP (SCK) pinint dataPin = 12: Defines the data pin (D12) connected to 74HC595's DS (S1) pinbyte leds = 0: Declares a byte variable to store the LED states (8 bits, 1 for each LED)Shift Register Pin Definitions:
/* The most common method of using 74CH595
- lctchPin->LOW : Begin transmitting signals.
- shiftOut(dataPin, clockPin, bitOrder, value)
- dataPin: the pin on which to output each bit. Allowed data types: int.
- clockPin: the pin to toggle once the dataPin has been set to the correct value. Allowed data types: int.
- bitOrder: which order to shift out the bits; either MSBFIRST or LSBFIRST. (Most Significant Bit First, or, Least Significant Bit First).
- value: the data to shift out. Allowed data types: byte.
- lctchPin->HIch : The end of the transmission signal.
*/
void updateShiftRegister()
{
digitalWrite(latchPin, LOW);
shiftOut(dataPin, clockPin, LSBFIRST, leds);
digitalWrite(latchPin, HIGH);
}
updateShiftRegister() Function:Sends the LED state data to the 74HC595 shift register.
digitalWrite(latchPin, LOW): Sets the latch pin LOW to prepare for data transmissionshiftOut(dataPin, clockPin, LSBFIRST, leds): Shifts out the 8 bits of data from the leds variable
LSBFIRST: Least Significant Bit First - sends the rightmost bit firstleds: The byte containing the LED statesdigitalWrite(latchPin, HIGH): Sets the latch pin HIGH to latch (store) the data in the output registershiftOut() Function:
void setup()
{
pinMode(latchPin, OUTPUT);
pinMode(dataPin, OUTPUT);
pinMode(clockPin, OUTPUT);
}
setup() Function:Initializes the system by configuring the GPIO pins.
pinMode(latchPin, OUTPUT): Sets the latch pin as an outputpinMode(dataPin, OUTPUT): Sets the data pin as an outputpinMode(clockPin, OUTPUT): Sets the clock pin as an outputvoid loop()
{
//Turn off all led
leds = 0;
updateShiftRegister();
delay(tDelay);
//Create a for loop:i 0 through 7 have gradually increased
for (int i = 0; i < 8; i++)
{
//turn on the led with the i transform
bitSet(leds, i);
updateShiftRegister();
delay(tDelay);
}
}
loop() Function Overview:The main loop that creates the chasing LED effect by sequentially turning on LEDs.
1. LED Initialization Module:
//Turn off all led
leds = 0;
updateShiftRegister();
delay(tDelay);
leds = 0: Sets all bits to 0, which will turn off all LEDsupdateShiftRegister(): Sends the all-off state to the shift registerdelay(tDelay): Waits for the specified delay time before continuing2. LED Sequencing Module:
//Create a for loop:i 0 through 7 have gradually increased
for (int i = 0; i < 8; i++)
{
//turn on the led with the i transform
bitSet(leds, i);
updateShiftRegister();
delay(tDelay);
}
leds variable to 1, which turns on the corresponding LED
bitSet(leds, 0) turns on the first LEDbitSet(leds, 7) turns on the eighth LEDBitwise Operations:
bitSet(variable, bit): Sets the specified bit to 1leds byte corresponds to one LEDleds = 0b00000001 turns on only the first LEDleds = 0b10000001 turns on the first and eighth LEDsLED Chasing Effect:
tDelay variableTroubleshooting Tips:
Extending the Circuit:
Bit Order Considerations:
Alternative Implementation:
This code provides a fundamental example of using shift registers to expand the output capabilities of microcontrollers, demonstrating both the hardware connections and the software implementation required.
Do not dismantle the project you built in this tutorial—it will be reused in the next .